您好,欢迎访问马博网页版页面网站!

联系我们

联系我们

马博网页版页面

手机:133-4266-6888

电话:0769-81383685

邮箱:changmin896@163.com

地址:广东省东莞市石排镇庙边王龙田西路1号

网址:www.celestelaurent.com/

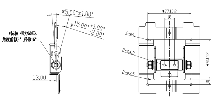
一体机转轴 CM093-001

规格:0
外观:电镀亮镍
扭力:22-24KGF.CM
寿命:15000次,衰减率小于20%
材质:SK7+1215
咨询热线:133-4266-6888

产品介绍

 一体机显示器转轴,采用经典的双边垫片结构,使显示器屏幕更加稳定牢固,转动过程中不会晃动。
 

专注精密五金转轴实体厂家
专业转轴工程师为您的产品量身定制各类转轴
地址:广东省东莞市石排镇工业大道42号
电话:0769-81383685
手机:133-4266-6888
Copyright © 2021 马博网页版页面 版权所有,违权必究 粤ICP备18051942号
咨询

电话

133-4266-6888

扫一扫加微信

扫一扫加微信

扫一扫加微信

公众号

微信公众号

微信公众号

微信小程序

微信小程序

微信小程序